Произходът на неръждаемата стомана е с почти 1000 години по-стар, отколкото предполагахме
Историята на неръждаемата стомана може да бъде проследена до началото на 19-и век, когато учените забелязват, че сместа от желязо и хром е устойчива на определени киселини. Ново изследване обаче показва, че подобна смес е била създадена много по-рано, отколкото въобще сме предполагали.
Археолози се натъкнаха на доказателство за тигелна стомана с ниско съдържание на хром от 11-и век в днешен Чахак в Иран – много преди европейската индустриална революция. Металът вероятно е бил използван за изработка на броня и оръжия, включително мечове и ками.
Неръждаемата стомана е известна още като хромова стомана – имено хромът е онзи елемент, който спира ръждата. Въпреки че въпросната ранна смес не съвпада 1:1 с днешната неръждаема стомана, тя все пак показва, че още през 11-и век хората са смесвали хром с чугун на блокове, за да създават смес, известна като тигелна стомана.
Според изследователите тяхното проучване ще помогне и за идентифицирането на артефакти от тигелна стомана в музеите или археологическите колекции и проследяването им до Чахак или чахакската традиция.
Въпреки че днес Чахак е едно най-обикновено малко селце, множество древни ръкописи го определят като важен район за производство на стомана през епохата на персите. И в действителност това е единственото място в региона, за което се знае, че по това време е била създавана тигелна стомана.
Именно един от тези ръкописи помага на изследователите да направят това свое ново откритие – в него се споменава за мистериозна смес, наречена rusakhtaj (в превод „изгорената“), която според екипът вероятно е хромит.
„Процесът на идентификация може да бъде много дълъг и сложен по няколко причини – казва археологът Маркос Маринон-Торес от Кеймбриджкият университет. – Първо, езикът и термините, използвани за описване на технологичните процеси и материали, може и да не се използват днес (или значението и функцията им да са различни от тези в съвременната наука). Освен това писането е било ограничено до социалните елити, а не до хората, които в действителност са се занимавали със занаятчийство, което може да доведе до грешки или пропуски в текста.“
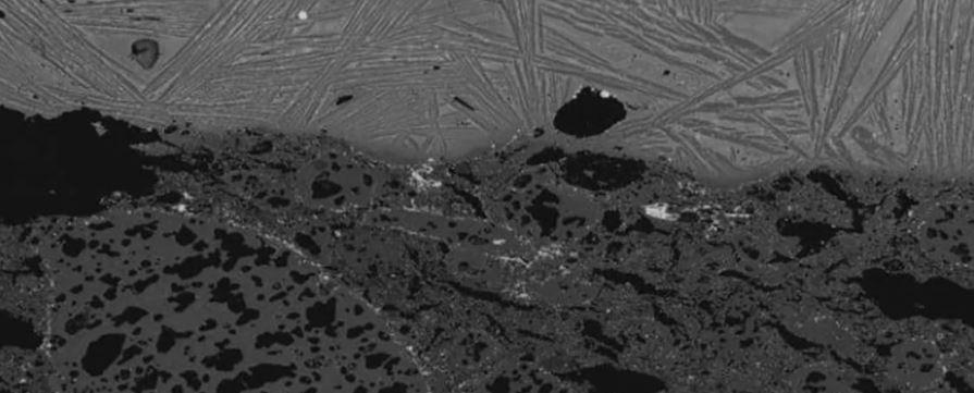
Благодарение на радиовъглеродно датиране и анализ, извършен със сканиращ електронен микроскоп (СЕМ), екипът успява да идентифицира малки количества хромит във въглените, останали от металопроизводството през 10-и – 12-и век.
Допълнителният хром вероятно е правел инструментите и оръжията много по-здрави и издръжливи. Тогавашните металопроизводители са слагали и фосфор, който е правил завършената смес по-лесна за обработка, но и по-нетрайна. Ето защо оръжията, създадени от нея, бързо са губели пазарната си стойност.
В музеите по цял свят могат да бъдат видени персийски инструменти и оръжия, изработени от тигелна стомана. А сега знаем повече и за самия им начин на изработка – процес, който ще бъде подобрен в началото на 19-и век.
Изследването е публикувано в Journal of Archaeological Science.













